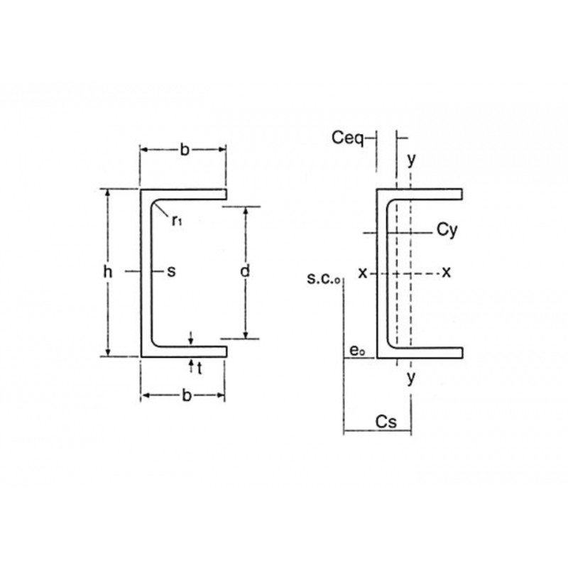
The structural channel, also known as a C-channel or Parallel Flange Channel (PFC), is a type of (usually structural steel) beam, used primarily in building construction and civil engineering. Its cross section consists of a wide "web", usually but not always oriented vertically, and two "flanges" at the top and bottom of the web, only sticking out on one side of the web. It is distinguished from I-beam or H-beam or W-beam type steel cross sections in that those have flanges on both sides of the web
S355JO
S355JO is a medium tensile, low carbon manganese steel which is readily weldable and possess good impact resistance. This material is commonly supplied in the untreated or normalized condition. Machinability of this material is similar to that of mild steel.
|
Mechanical Properties |
||||
|
Grade |
Yield (MPa)min |
Tensile (MPa)min |
Charpy V - notch longitudinal |
|
|
|
Strength at t = 16mm |
Temp ( °C) |
Energy (J) t =16mm |
|
|
S355JO |
355 |
470/630 |
0 |
27 |
|
Chemical Properties |
|||||||||
|
Grade |
Max C content for t in mm |
Mn max |
Si max |
P max |
S max |
Cu max |
N max |
||
|
t ≤ 16 |
>16 t ≤ |
t >40 |
|||||||
|
S355JO |
0.2 |
0.2 |
0.22 |
1.6 |
0.55 |
0.035 |
0.035 |
0.55 |
0.012 |
|
Metric Dimensions |
Thickness |
||||
|
Serial Size |
Mass per metre |
Depth of Section (h) |
Width of Section (b) |
Web (s) |
Flange (t) |
|
mm |
kg/m |
mm |
mm |
mm |
mm |
|
200x75 |
23.4 |
200 |
75 |
6 |
12.5 |
|
180x75 |
20.3 |
180 |
75 |
6 |
10.5 |
|
150x75 |
17.9 |
150 |
75 |
5.5 |
10 |
|
125x65 |
14.8 |
125 |
65 |
5.5 |
9.5 |
|
100x50 |
10.2 |
100 |
50 |
5 |
8.5 |
What is the difference between S275 and S355 steel?
S275 provides a lower strength (than S355) but has good machinability and can be welded. The average minimum yield for S275 steel is 275 N/mm² giving its name: S275.
What is the difference between C channel and U channel?
The channel ceiling grid can support lights, manufacturing tools or others. What kinds of steel channel sizes you provide? Steel channel has been classified into "C" and "U" types depending on its outlook
